靜音式低組裝QE系列
直線導軌精度等級對照表
QE系列產品包括有:QEH系列、QEW系列QEH15SA/QEH15CA/QEH20SA/QEH20CA/QEH25SA/QEH25CA/QEH30SA/QEH30CA/QEH35SA/QEH35CA
QEW15SA/QEW15CA/QEW20SA/QEW20CA/QEW25SA/QEW25CA/QEW30SA/QEW30CA/QEW35SA/QEW35CA

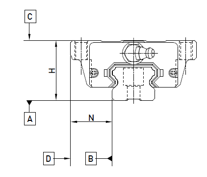
QE系列靜音式低組裝型滾珠直線導軌,乃基于四列式單圓弧牙型接觸設計,降低組合高度與縮短滑軌長度,非常適合高速自動化產業機械及空間要求的小型設備使用。采用SynchMotion技術的QE系列線性滑軌搭載具儲油功能的專利同步連結器,可有效降低運轉時噪音、提升運轉平順性、壽命與潤滑效率。具有更廣泛的產業應用性,更適用于高速、寧靜于低發音需求的高科技產業。
QE系列分為非互轉性及互轉性兩種線性滑軌,兩者規格尺寸相同,主要差異點在于互換性型之滑塊、滑軌可單出互換使用,較便利,但其組合精度無法連到非互換型所擁有的超高精度等級。不過由于HIWIN的制造上有良好的尺寸控制及規格的品質要求,互換性型之組合精度目前已達到一定的水準,對不需配對安裝線性滑軌的客戶而言,是一項很好的選擇。

QE系列與EG系列滑軌共享,客戶無需為了選用靜音式產品而重新設計安裝尺寸,如此更加提升了QE系列的應用性與可互換性。

精度等級
QE系列直線導軌的精度,分為普通、高、精密、超精密、超高精密級共五級,客戶可依設備精度需求選用精度。